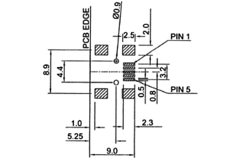
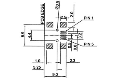
USB miniB NAARAS RUNKOLIITIN PINTALIITOS
Varastossa 37 kpl
SKU#: USB-MINIBN-SMD
USB miniB NAARAS RUNKOLIITIN PINTALIITOS
Varastossa 37 kpl
SKU#: USB-MINIBN-SMD
Määräalennus
| Määrä (kpl) | Hinta | |
|---|---|---|
| 10+ | undefined% | 1,00 € / kpl |
1,14 €
Varastossa
Tuotetiedot
- Saatavuus Varastossa
- Tuotepolku Etusivu LiittimetDataliittimetUSB-liittimet USB miniB NAARAS RUNKOLIITIN PINTALIITOS
- SKU USB-MINIBN-SMD



