TEHORELE 2-NAPAINEN 100A 12VDC
Varastossa 7 kpl
SKU#: FI682290124300
TEHORELE 2-NAPAINEN 100A 12VDC
Varastossa 7 kpl
SKU#: FI682290124300
Finder 68.22.9.012.4300 - erityisesti sähköajoneuvojen latausasemiin suunniteltu tehorele, jopa 40kW tehoille
14,90 €
Varastossa
Tuotetiedot
- Saatavuus Varastossa
- Valmistaja Finder
- Tuotepolku Etusivu Komponentitsähkömekaaniset-komponentitReleetTehoreleet TEHORELE 2-NAPAINEN 100A 12VDC
- SKU FI682290124300
- Ominaisuudet
- Käyttölämpötila -40...+85°C
- Jänniteluokka 400V
- Virtaluokka 100A
- Ohjausjännite 12VDC
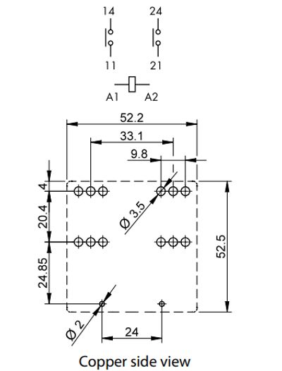
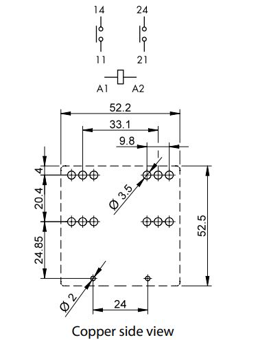
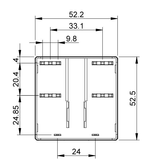
- Liitintyyppi Piirilevylle
- Kelan resistanssi 50ohm
- Kontaktien lukumäärä 2 sulkeutuvaa kosketinta
- Kontaktien pintamateriaali AgSnO2
- Pinnit 5
- Tuoteperhe Finder 68
- Valmistajan malli 68.22.9.012.4300
- Klikkaa tarkemmat tiedot https://www.findernet.com/en/worldwide/series/68-series-high-power-relay-100-a/type/type-68-22-high-power-relay-100-a/
- Mitat 56x52x52 mm




