RELEMODUULI - EMG 10-REL/KSR-230/ 1-LC
Varastossa alle 5 kpl
SKU#: PC-2964403
RELEMODUULI - EMG 10-REL/KSR-230/ 1-LC
Varastossa alle 5 kpl
SKU#: PC-2964403
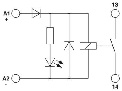
Relemoduuli suojadiodilla ja merkkiledillä
19,90 €
Varastossa
Tuotekuvaus
Tuotetiedot
- Saatavuus Varastossa
- Valmistaja Phoenix Contact
- EAN 4017918107468
- Tuotepolku Etusivu Komponentitsähkömekaaniset-komponentitReleetRelemoduulit RELEMODUULI - EMG 10-REL/KSR-230/ 1-LC
- SKU PC-2964403
- Ominaisuudet
- Virtaluokka 6A
- Ohjausjännite 230VAC
- Kontaktien lukumäärä 1 sulkeutuva kosketin
- Kontaktien pintamateriaali AgNi
- Valmistajan malli 2964403
- Klikkaa tarkemmat tiedot https://www.phoenixcontact.com/fi/tuotteet/2964403




