PCB-RELE 1-VAIHTO 16A 12VDC
Varastossa 13 kpl
SKU#: FI406190124000
PCB-RELE 1-VAIHTO 16A 12VDC
Varastossa 13 kpl
SKU#: FI406190124000
Finder 40.61.9.012.4000
Määräalennus
| Määrä (kpl) | Hinta | |
|---|---|---|
| 10+ | undefined% | 3,73 € |
| 50+ | undefined% | 2,86 € |
4,14 €
Varastossa
Tuotekuvaus
Tuotetiedot
- Saatavuus Varastossa
- Valmistaja Finder
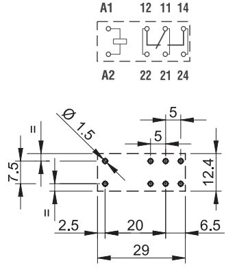
- Tuotepolku Etusivu KomponentitSähkömekaaniset komponentitReleetPiirikorttireleet PCB-RELE 1-VAIHTO 16A 12VDC
- SKU FI406190124000
- Ominaisuudet
- Käyttölämpötila -40...+85°C
- Väri sininen
- Jänniteluokka 250V
- Virtaluokka 16A
- Rasteri R5
- Ohjausjännite 12VDC
- Kelan resistanssi 220ohm
- Kontaktien lukumäärä 1 vaihtokosketin
- Kontaktien pintamateriaali AgSnO2
- Tuoteperhe Finder 40
- Valmistajan malli 40.61.9.012.4000
- Klikkaa tarkemmat tiedot https://www.findernet.com/en/finland/series/40-series-miniature-pcb-relays-8-10-12-16a/type/type-4061-pcb-plug-in-relay-16a/
- Mitat 29x12.4x25mm
- Pakkauskoko 50kpl




