PCB-RELE 1-VAIHTO 10A 12VDC
Varastossa 14 kpl
SKU#: FI361190124011
PCB-RELE 1-VAIHTO 10A 12VDC
Varastossa 14 kpl
SKU#: FI361190124011
Finder 36.11.9.012.4011
Määräalennus
| Määrä (kpl) | Hinta | |
|---|---|---|
| 10+ | undefined% | 3,73 € / kpl |
| 25+ | undefined% | 3,31 € / kpl |
4,14 €
Varastossa
Tuotekuvaus
Tuotetiedot
- Saatavuus Varastossa
- Valmistaja Finder
- Tuotepolku Etusivu Komponentitsähkömekaaniset-komponentitReleetPiirikorttireleet PCB-RELE 1-VAIHTO 10A 12VDC
- SKU FI361190124011
- Ominaisuudet
- Käyttölämpötila -40...+85°C
- Väri valkoinen
- Jänniteluokka 250V
- Virtaluokka 10A
- Rasteri R2
- Ohjausjännite 12VDC
- Kelan resistanssi 400ohm
- Kontaktien lukumäärä 1 vaihtokosketin
- Kontaktien pintamateriaali AgSnO2
- Pinnit 5
- Tuoteperhe Finder 36
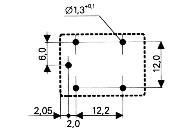
- Valmistajan malli 36.11.9.012.4011
- Klikkaa tarkemmat tiedot https://www.findernet.com/en/worldwide/series/36-series-miniature-pcb-relays-10a/type/type-3611-miniature-pcb-relay-10a/
- Mitat 19x15.5x15.5mm




