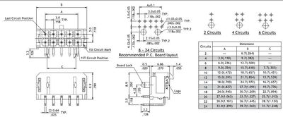
3,0mm 12pole male RA Sn UL 94V-0
Varastossa 10 kpl
SKU#: CP3512P1H00LF
3,0mm 12pole male RA Sn UL 94V-0
Varastossa 10 kpl
SKU#: CP3512P1H00LF
Määräalennus
| Määrä (kpl) | Hinta | |
|---|---|---|
| 2280+ | undefined% | 0,34 € / kpl |
0,95 €
Varastossa
Tuotetiedot
- Saatavuus Varastossa
- Valmistaja Cvilux
- Tuotepolku Etusivu Elgood edustuksetCviluxCvilux CP35 3.0mm power 3,0mm 12pole male RA Sn UL 94V-0
- SKU CP3512P1H00LF
- Ominaisuudet
- Sukupuoli uros
- Napaluku 12
- Valmistajan malli CP35-12-P1H00-LF




